2747461725

MANSHİP Düşük profilli hatch tek açılım 419x419

₺46,168.18
الأقساط متاحة فقط في ليرة التركية.

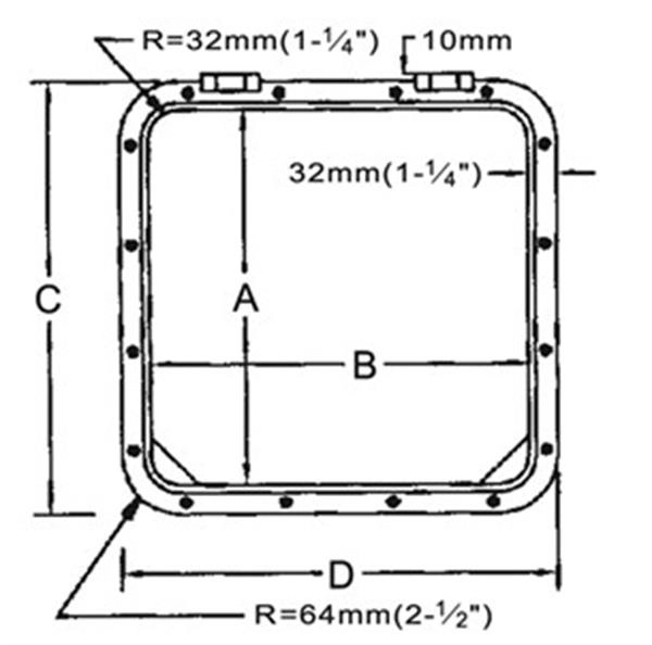
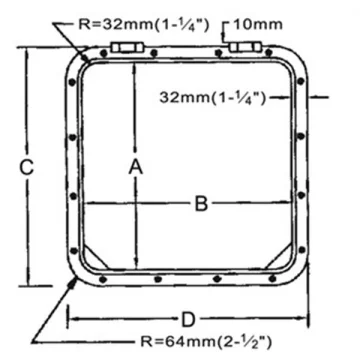
MANSHİP Düşük profilli hatch.
Gri akrilik cam. İçeriden ve/veya dışarıdan açılabilir. 180° açılabilme imkanı. 47 mm yükseklik. Tüm çerçeve ve menteşeler 316 paslanmaz çeliktir. Görünmeyen yüzeylerin paslanmazlığını sağlamak amacıyla elektro polisaj yapılmıştır. Tüm ağır şartlara dayanıklı neopren contası vardır.

Montaj Ebadı A:419 mm
Dıştan Dışa Ebat D:483 mm
Montaj Ebadı B:419 mm
Ağırlık:8.6 kg
Ebat (mm):419x419
Dıştan Dışa Ebat C:483 mm
...
...
تمت الإضافة إلى السلة
تمت إضافة المنتج إلى سلتك.
عرض السلة