32936039

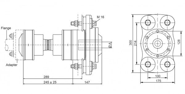
AQUADRIVE CVB 30.20

Model: B20 Ana ünite
₺105,442.95
Les versements ne sont disponibles que dans la LIRA turque.
Model: B20 Ana ünite

AQUADRIVE CVB 30.20 AQUADRIVE CVB 30.20

• Şaft Çapı: 50 mm’ ye kadar
• 250 HP ‘ ye kadar & 1200 rpm’ de 175HP
• CV30 tek başına kullanıldığında 2500 rpm’ de 400 HP’ ye kadar makine gücünü kaldırabilir. 
• Tahrik şaftının maksimum hızı 
• Taşıyıcı yatağın maksimum hızı 
• 200 HP = 150 kW (1HP~0.75kW)
• CV30 için 245 mm’lik standart boyun haricinde talebe göre istenen uzunlukta imal edilebilir.
• Standart şanzıman kaplin bağlantı kiti opsiyonel 
• Standart dışı kaplin adaptör kitleri özel sipariştir. 

Örnek Uygulama      
Tekne tipi Motor Gücü kW/HP Krankşaft devri rpm Şanzıman Oranı
Kayıcı 200/270 3300 02:01
Deplasman tipi Motoryat 130/175 2600 03:01
...
...
Ajouté au panier
Ajouté au panier.
Voir le panier