258651461

MANSHİP Düşük profilli hatch tek açılım 206x349

₺33,540.22
Le rate sono disponibili solo nella lira turca.

MANSHİP Düşük profilli hatch.
Gri akrilik cam. İçeriden ve/veya dışarıdan açılabilir. 180° açılabilme imkanı. 47 mm yükseklik. Tüm çerçeve ve menteşeler 316 paslanmaz çeliktir. Görünmeyen yüzeylerin paslanmazlığını sağlamak amacıyla elektro polisaj yapılmıştır. Tüm ağır şartlara dayanıklı neopren contası vardır.

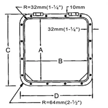
Montaj Ebadı B:349 mm
Ağırlık:4.4 kg
Ebat (mm):206x349
Dıştan Dışa Ebat C:270 mm
Montaj Ebadı A:206 mm
Dıştan Dışa Ebat D:413 mm
...
...
Aggiunto al carrello
Il prodotto è stato aggiunto al carrello.
Visualizza il carrello