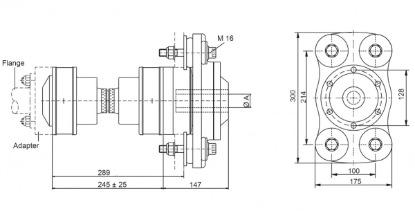
Model: CV30 245mm CV şaft
AQUADRIVE CVB 30.20 AQUADRIVE CVB 30.20
• Şaft Çapı: 50 mm’ ye kadar
• 250 HP ‘ ye kadar & 1200 rpm’ de 175HP
• CV30 tek başına kullanıldığında 2500 rpm’ de 400 HP’ ye kadar makine gücünü kaldırabilir.
• Tahrik şaftının maksimum hızı
• Taşıyıcı yatağın maksimum hızı
• 200 HP = 150 kW (1HP~0.75kW)
• CV30 için 245 mm’lik standart boyun haricinde talebe göre istenen uzunlukta imal edilebilir.
• Standart şanzıman kaplin bağlantı kiti opsiyonel
• Standart dışı kaplin adaptör kitleri özel sipariştir.
|
Örnek Uygulama |
|
|
|
|
Tekne tipi |
Motor Gücü kW/HP |
Krankşaft devri rpm |
Şanzıman Oranı |
|
Kayıcı |
200/270 |
3300 |
02:01 |
|
Deplasman tipi Motoryat |
130/175 |
2600 |
03:01 |
...
...