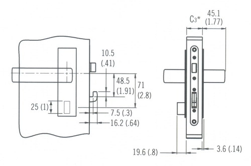
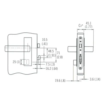
Tip: Sol dışarı
Mobella McCoy Star Square kapı kilidi.
Mobella McCoy Star Square kapı kilidi. 22-30mm kalınlıktaki kapılara uygulanabilir. Yüksek güvenlikte star tip kilit ve kapı kulbunun sarkmasını önleyen çift yaylı mekanizma, göz alıcı ve modern kromaj finisyon ile tamamlanmıştır. Tamamen deniz koşullarına uygun malzemelerden üretilmiştir. Kilit aynası (karşılığı) ayrıca sipariş edilmelidir.
...
...