2061808464

MANSHİP Düşük profilli hatch tek açılım 254x254

₺33,540.22
Sadece Türk Lira'sına taksit yapılabilmektedir.

MANSHİP Düşük profilli hatch.
Gri akrilik cam. İçeriden ve/veya dışarıdan açılabilir. 180° açılabilme imkanı. 47 mm yükseklik. Tüm çerçeve ve menteşeler 316 paslanmaz çeliktir. Görünmeyen yüzeylerin paslanmazlığını sağlamak amacıyla elektro polisaj yapılmıştır. Tüm ağır şartlara dayanıklı neopren contası vardır.

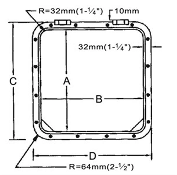
Montaj Ebadı B:254 mm
Ağırlık:4.1 kg
Ebat (mm):254x254
Dıştan Dışa Ebat C:318 mm
Montaj Ebadı A:254 mm
Dıştan Dışa Ebat D:318 mm
...
...
Sepete eklendi
Ürün sepetine eklendi.
Sepeti Gör