★
GPS, radar, otomatik pilot ve daha fazlası
— modern denizcilik teknolojileri burada.
★
Yurt dışı kartlarınız ile alışveriş artık daha kolay: USD, EUR, GBP ile ödeme denizciden.com’da.
★
Bizlere
+90 232 441 8000
|
+90 535 575 9480
numaralarından ulaşabilirsiniz.
★
Motor parçalarından navigasyon sistemlerine, tüm deniz araçları için eksiksiz çözümler.
★
Can yeleklerinden acil durum ekipmanına
kadar, güvenli seyir için en kaliteli ürünler.
0
cart items
Warning
: Undefined array key "vtPara" in
/home/ARAS/web/new.denizciden.com/public_html/tema/BTS_Tic/sayfalar/title.php
on line
53
₺
₺ Türk Lirası
£ İngiliz Sterlini
$ Dolar
€ Euro
¥ Japon Yeni
₽ Rus Rublesi
﷼ Katar Riyali
CHF İsviçre Frangı
SEK İsveç Kronu
د.ك Kuveyt Dinarı
kr Norveç Kronu
﷼ Suudi A. Riyali
A$ Avustralya Doları
CA$ Kanada Doları
лв Bulgar Levası
lei Romanya Leyi
₩ Güney Kore Wonu
₼ Azerbaycan Manatı
kr Danimarka Kronu
TR
Türkçe (TR)
English (US)
Español (ES)
Deutsch (DE)
Français (FR)
Italiano (IT)
עִברִית (IL)
日本語 (JP)
Português (BR)
Русский (RU)
العربية (AR)
hoşgeldin
hoşgeldin
Tekne ve Yat Malzemeleri
Bakım / Boya / Temizlik Kimyasal
Astar / Macun
Zehirli Boya / Sualtı Koruma Boyaları
Bakım Kimyasalları
Epoksi / Fiber Tamir
Fırça / Rulo Ekipmanları
İzolasyon / Bakım ve Maskeleme Bantları
Yapıştırıcı / İzolasyon
Temizlik Kimyasalları
Temizlik Gereçleri
Tik Bakımı
Vernik / Zımpara / Tiner
Yağ - Gres
Sintine Boyası
Silikon
Boya Sistemleri
Kova
Nem Alıcı
Pasta Cila
Su Katkıları
Motor Yağı
Motor Boyası
Motor Yakıt Katkıları
Kağıt Tulumlar / Maskeler / Eldivenler
Püskürtme Ekipmanları
Sprey Boyalar
Koruma
Bağlama / Demirleme
Usturmaça ve Ekipmanı
Ön Arka Usturmaçaları
Balon Usturmaça
Sosis Usturmaça
Şişme Usturmaçalar
Majoni Usturmaça
Merdiven Usturmaça
Burun Usturmaça
Düz Usturmaça
Basamak Usturmaçası
İskele Usturmaçası
Usturmaça Tutucu ve Askısı
Usturmaça Bağlama Halatları
Usturmaça Yuvası
Usturmaça Temizleyici ve Bakımı
Usturmaça Tamir Kiti
Usturmaça Kılıfları
Baba - Koç Boynuzu - Kurt Ağzı
Mapa - Köprü
Uç Makaraları ( Baş - Kıç )
Oynarlı (Mafsallı) Makara
Sabit Makara
Çıpa
Admiralti Çıpalar
Bruce Çıpalar
Danfort Çıpalar
Delta Çıpalar
Döner Çıpalar
Force Çıpalar
Fortress Çıpalar
Hall Tip Çıpalar
Şemsiye Çıpalar
Ultra Çıpalar
Pulluk Çıpalar
Trefoil Çıpalar
Tonoz Çıpalar
Quick Olympic Çıpalar
Yat Çıpaları
Çelik Döküm Gemi Çıpaları
Fırtına Çıpası
Bot ve Jet ski Çıpaları
Salıncak Çıpa
Çıpa Aksesuarları
Çıpa Makaraları
Halat
İskota Halatları
Parekete Halatı
Çıpa İpi Radansalı
Yüzer ( Batmaz ) Halat Serisi
Batan Halatlar
Polyester Halatlar
Lastik Halatlar
Çelik Halatlar
Bakır Çelik Halat Bağlama Yüzükleri
Özel Halatlar
Bobin İpleri (kırcala-salvo-örgü-piyan-yelken ipleri)
Elastik Halat / Yelken Sarma Lastiği
Genel Kullanım İpi
Tekne Bağlama Halatları ( Palamarlar)
Bağlama Halatı
Yassı Bağlama Halatları
Makaralı Bağlama Halatları
Halat Yönlendirici
Halat Esnetici
Alüminyum Çelik Halat Bağlama Yüzükleri
Halat Kesme Bıçakları
Halat Aksesuarları
Halat Makaraları
Halat Kilitleme Sistemleri
Kıstırmaç
Loça
Rıhtım Ekipmanı
Irgat
Irgatlar
Irgat Ekipmanı
Irgat Motorları
Irgat Şanzımanları
Irgat Sigortası
Irgat Butonları
Panel Tipi Butonlar
Ayak Butonları
Uzaktan Kumandalar
Kablolu El Kumandaları
Irgat Kavelata
Irgat Kolları
Selenoid & Röleler
Aksesuar ve Yedek Parçalar
Sanal Çapalar ve Aksesuarları
Kakıç / Ağ / Kepçe / Kanca
Karabina - Sustalı Kilit
Krom Halkalı Karabina
Krom Karabina
Krom Fırdöndülü Karabina
Pelikan Kilitler
Fırdöndülü Kancalar
Krom Somunlu Karabina
Sustalı Karabinalar
Yaylı Karabinalar
Mapalı Krom Karabina
Krom Emniyetli Karabinalar
Alüminyum Karabinalar
Galvanizli Karabina
Burgu Kilitler
Şamandıra
Zincir ve Zincir Ekipmanları
Zincir
Zincir Ekipmanları
Zincir Kilitleri ve Fırdöndüleri
Loça
Bosa Kancası
Zincir Sayaçları
Zincir ve Halat Kombinasyonu
Römork ve Aksesuarları
Römork Vinçleri
Römork Aksesuarları
Paslanmaz Malzemeler
Elektrik
Anahtar ve Switchler
DC Anahtarlar
Ac Anahtarlar Prizler
Kontrol Switchleri
Switch
Switch Paneller
Korna Butonları
Akü
Silver Marin Aküler
Kurşun Asit Aküler
Jel Aküler
Lityum Aküler
Agm Aküler
Sodyum-İyon Aküler
Akü Ekipmanı
Akü Şarj Cihazları
Akü Dolum Ölçer
DC-Dc Akü Dolum Cihazları
Akü Kutuları
Victron Akü İzleme ve Kontrol Cihazları
Kutup Başları
Akü Şalterleri
Akü Sabitleme ve Kutuları
İzolatörler
Akü Ekipmanı ve Aksesuaları
Akü Güç dağıtım Üniteleri ( Busbar / Dağıtıcılar)
Marin Kablolar
Akü Kabloları
Marin Yassı Kablolar
Marin Yuvarlak Kablolar
Sahil Besleme Kablosu
Solar Panel Kabloları
M. Kablo ve Aksesuarları
Çakmak Fişi ve Ekipmanı
Usb Fiş Prizler Çıkışlar
İç Aydınlatma
Gömme Montaj
Yüzeye Montaj
Okuma Lambaları
Tavan Aydınlatma
Başucu Lambası
Genel Aydınlatma
Merdiven Aydınlatma
Ampül
İç Aydınlatma Yedek Parçaları
Ampül
Dış Aydınlatma
Projektör
Projektör Kumandaları
Otomatik Projektörler
Manuel Projektörler
Projektör Ampulleri
Fiş - Priz
Su Geçirmez Fiş ve Prizler
Galvanik İzolatör
Sigorta Sistemleri
Otomatik & Manuel Sigortalar
Bıçak Sigortalar
Sigorta Blokları
Sigorta Paneli‚ AC/DC
Sigorta Yuvaları
Switch
Devre Kesici Sigorta
Cam Sigortalar
Terminal ve Aksesuarlar
Dimmer Aydınlatma Kontrolcusu
Şase Barelleri (Terminalleri)
Kablo ve Ekipmanları
Kablo Çıkışları
Kablo Pabuçları
Kablo Mufları
Yuvarlak Kablo Uçları
İğne Tipi Kablo Uçları
Geri Dönüşlü Terminal
Erkek Terminaller
Dişi Terminaller
Erkek Faston Uçlar
Dişi Faston Uçlar
Ara Ekleme Terminalleri
Yapışkanlı Kroşeler
Vidalı Kroşe
Kablo Bağı
Alet ve Edavatlar
Kontak Anahtarı
Çakar Lambalar / Uyarı Fenerleri
Güverte Aydınlatma
Gürcata Aydınlatmaları
Invertör
Tam Sinüs Invertörler
İnvertörler
Redresörler
Invertör & Redresör
Konvertörler
DC-DC
AC-DC
DC-DC KONVERTÖR ŞARJER
İzalatör Sarj Cihazları
Şarj Cihazları
Batarya İzolasyon Rölesi
Bluetooth Cihazları
Redresör - Akü Şarj Cihazı
Rüzgar Enerjisi - Güneş Enerjisi
Güneş Enerjisi
Güneş Panelleri
Kontrol Panelleri
Güneş Enerjisi Yedek Parça Aksesuarları
Konnektörler
Montaj Setleri
Rüzgar Enerjisi
Sahil Besleme - Kıyı Bağlantısı
Fiş / Prizler
Kablolu Setler
Seyir Feneri
Baş Sancak / İskele Feneri
Çıpa Feneri
Silyon Feneri
Pupa Feneri
Pruva Feneri
Kıç Feneri
Kombine Fenerler
Arıza Fenerleri
Yedekleme Fenerleri
Uyarı Fenerleri
Kerteriz Fenerleri
Tepe Lambaları
Pilli Seyir Feneri
Yedek Ampül / Aksesuar
6-10 mt. Tekneler için
6-12 mt tekneler için
8-12 mt. tekneler için
12m ye Kadar Tekneler İçin
15 Metre Altındaki Tekneler
10-16 mt. Tekneler için
20m ye Kadar Tekneler İçin
12-20 mt. Tekneler için
25 Metre Altındaki Tekneler İçin
12-25 mt Tekneler İçin
20-50 Mt. Gemiler için
25-50 Metre Arası Tekneler İçin
50m ye Kadar Tekneler İçin
50 İle 100 Metre Arası Tekneler
Solar Fenerler
Silecek
Sualtı Lambaları ve Aksesuarları
Jeneratör
Motor Kabloları Koruyucu
Regülatör ve Ekipmanları
Alternatör Parçaları
Elektrik Aksesuarlar
Kompresör Sistemi
Adaptörler & Dönüştürücüler
Röleler & Kontaktörler
Güverte
Yıkama Pompaları
Aksesuarlar
Çıkartmalar
Bardaklık
Türk Bayrağı
Yabancı Bayraklar
İşaret Bayrakları
Bayrak Direği ve Aksesuarları
Çeki Kancaları
Dolum Ağzı / DOLUM KAPAKLARI
Güverte Kaplama
Güverte Kapağı
Servis Kapakları
Kapak Aksesuarları
Kapı Kilitleri
Kamış Yuvası
Kapak Kilitleri
Kulp / Tutamak / Klips / Askı
Bağlantı Donanımları
Mapalar
Köprüler
Halkalar
D Halkalar
Üçgen Halkalar
Mandar Kilitleri
Yaylı Kilitler
Koltuk / Masa / Sandalye
Küpeşte Fitili
Küpeşte Fitilleri
Küpeşte Fitil Parçaları
Livar Pompası
Mangal ve Aksesuarları
Merdiven
Mataforalar
Roll Bar Sistemleri
Pasarella
Plastik Kapak - Dolap - Yuva
Duş ve Aksesuarları
Tahliye Borusu / Firar / Miçoz
Bağlantı Kovanları
Süzgeçler
Süzgeçli Bağlantı Kovanları
Miçözler
Su Firarları
Genleşen Tapa
Tahliye Borusu
Su gideri
Tente ve Ekipmanları
Alimünyum Tenteler
Paslanmaz Çelik Tenteler
Plastik Tenteler
Tente Parçaları
Tente Çıtçıtları
Tente Kayış Mapaları
Portatif Tenteler
Vasistas Kolu - Amortisör
Gazlı Amortisörler
Amartisör Bağlantı Parçaları
Kanca
Kürek / Iskarmoz
Şemsiye
Vardavela & Ekipmanları
Paslanmaz Malzeme
Tekne Brandaları
Kilitleme Elemanları
Pimler
Filiketeler (R- Pim)
Mandallar
Emniyet Klipsleri
Yaylı Pim
Çöp Kovası ve Aksesuarları
Acil Tamir Ekipmanı
Panel Göstergeleri
Voltmetre
Ampermetre
Su Göstergeleri
Atık Su Göstergeleri
Alarmlı Gösterge Seti
Gri Su Göstergesi
Dümen Açı Göstergeleri
Derinlik Göstergesi
Termometre / Hygrometre / Barometre / Saat
Klinometre - Yalpametre
Çok Fonksiyonlu Gösterge
Güvenlik
Can Salı ve Ekipmanları
Can Simidi Ve Aksesuarları
Yetişkin Can Yeleği
Çocuk Can Yeleği
Can Yeleği Işığı
İlk Yardım Çantası
Düdükler
Korna
Megafon
Kurtarma Ekipmanları
Radar Reflektörü
Uyarı Ekipmanları
Yangın Battaniyesi
Yangın Söndürücü ve Ekipmanları
Otomatik Yangın Söndürücü Sistemler
Yangın Alarm ve Dedektörleri
Gaz Dedektörleri
Metan Gazı Dedektörleri
KarbonMonoksit Detektörleri
Benzin Dedektörleri
Duman Dedektörleri
Emniyet Ekipmanları
Merdiven
Acil Durum Ekipmanları
Tekne Güvenliği
Temiz (Tatlı) Su Sistemleri
Temiz Su Tankları
Esnek Su Tankları
Şişme Su Tankları
Plastik Su Tankları
Krom Su Tankları
Plastik Pis Su Tankları
Plastik Gri Su Tankları
Tank Rekorları
Tatlı Su Filitresi
Boiler
Duş ve Aksesuarları
Hidrofor
Hidrofor Pompaları
Tanklı Hidrofor Pompaları
Basınç Tankları
Yedek Parça / Aksesuar
Su girişi çıkışı
Kelepçe
Vanalar
Dalgıç Pompaları
Su Pompası
Hortum ve Bağlantı Elemanları
Hortum
Te Bağlantı
Hortum Rekorları
Rediksiyonlar
Hortum Adaptörü / Konnektörü
Hortum Ekleri
Ye Bağlantı
Ara Transfer Pompaları
Manşonlar
Nipel ( Dişli Bağlantılar)
Kör Tapa (Kapama Elemanı)
Depo Rekorları
Kelepçe
Ağır Hizmet Hortum Kelepçeleri
Krom Hortum Kelepçeleri
Su Püskürtme Aparatı
Sıvı Transfer / Sifonlar
Klipsler
Musluk
Çekvalfler
Selenoid Valfler
Su Göstergeleri
Su Yapıcı
Temiz Su Taşıma Bidonları
Yakıt ve Su Şamandıraları
Pis Su Şamandıraları (33-240 ohm)
Temiz Su Yakıt Şamandıraları (0-190 ohm)
Şamandıralar Flanşlar
Şamandıra direnç değiştirici
Havalandırma
Blower
Düz Blower / Salyangoz Blower
Blower Hortumları
Hatch
Alüminyum Hatchler
Krom Hatchler
Plastik Hatchler
Sineklik ve Hatch Aksesuarları
Paslanmaz Çelik Hatchler
Lumboz
Plastik Lumbozlar
Krom Lumbozlar
Alüminyum Lumbozlar
Paslanmaz Çelik Lumbozlar
Lumboz Yedek Parçaları
Hatchler ve Lumbozlar İçin Yedek Parça
Güneşlik / Sineklik / Perde
Havalandırma, Izgara, Menfez, Bağlantı Parçaları
Klima
Klimalar
Klima Yedek Parçaları
Menfezler
Manika
Solar Havalandırma
Vantilatör
Rüzgar Tutucuları
Isıtma Sistemleri
Isıtıcılar / Sıcak Hava Dağıtıcılar / Buğu Çözücü
Isıtma Sistemleri Bağlantı Parçaları
Navigasyon
Pusula
Navigasyon Ekipmanı
Rüzgar Göstergesi
İşaret Şamandırası
Ağ Lambası / Çakarlı Şamandıralar
Dümen - Kumanda
Baş Pervanesi
Baş Pervane Sistemleri
Baş Pervane <b>Tünelleri</b>
Baş Pervane <b>Motorları</b>
Baş Pervane <b>Selenoidleri</b>
Baş Pervane <b>Kontrol Panelleri</b>
Baş Pervane <b>Şanzımanları</b>
Baş Pervane <b>Uzatma Kabloları</b>
Baş Pervane <b>Sigortaları</b>
Baş Pervane <b>Tutyaları</b>
Pervaneler
Baş Pervane <b>Uzaktan Kumanda</b>
Bağlantı ve Montaj
Direksiyon / Dümen Simidi ve Parçaları
Dümen Spiralleri
Direksiyon Teli ve Parçaları
Direksiyon Kutusu
Bezel
Kumanda Kolu
Kumanda Telleri
Çift istasyon için parçalar
Hidrolik Dümen Sistemi
Hidrolik Dümen Sistemleri ve Aksesuarları
Hidrolik Pompa / Yağ / Silindir / Hortum/ REKOR
Kilit Valf
Yeke
Havuz / Kablo Körükleri
Çolak Kol
Dıştan Takma Dümen Sistemi
Kumanda Kabloları
Kabin / Mutfak / Banyo
Servis Gereçleri
Bardaklık
Eviye & Lavabo
Kesme Tahtaları
Buzdolabı
Buz Yapıcı
Buzluk
Şarap Dolabı
Ocak / Fırın / Dedantör
Izgaralar
Küllük
Nevresim
Paspas
Stoper
Mutfak Araç Gereçler
Kapı Kilitleri
İç Aydınlatma
Gömme Montaj
Yüzeye Montaj
Okuma Lambaları
Tavan Aydınlatma
Başucu Lambası
Genel Aydınlatma
Merdiven Aydınlatma
Ampül
İç Aydınlatma Yedek Parçaları
Güneşlik / Sineklik / Perde
Koltuk / Masa / Sandalye
Duş ve Aksesuarları
Tahliye Borusu / Firar / Miçoz
Bağlantı Kovanları
Süzgeçler
Süzgeçli Bağlantı Kovanları
Miçözler
Su Firarları
Genleşen Tapa
Tahliye Borusu
Su gideri
WC / Pis Su / Tuvalet
Atık Su Göstergeleri
Duş Boşaltma Sistemi
Duş - Wc Tahliye Pompaları
Güverte Çıkış Ağızı
Hortum
Koku Filtresi
Maceratör - Pis Su Pompa
Şamandıra
Tank
Tuvalet
Portatif Tuvaletler
Manuel Tuvaletler
Elektrikli Tuvaletler Ve Yedek Parçaları
Tuvalet Kimyasalları
Tuvalet Parçaları ve Tamir Takımı
Tuvalet Taharet Muslukları
Tuvalet Motorları
Manuel Tuvalet Pompaları
Elektrikli Motorlu Tuvalet Pompaları
Tuvalet Su Pompaları
Manuel Tuvalet Tamir Takımları
Elektrikli Tuvalet Tamir Takımları
Tuvalet Selenoid Valfleri
Tuvalet Kapakları
Tuvalet Valfleri
Tuvalet Switch leri
Rakorlar
Vana
Üç Yollu vanalar
İki Yollu Vanalar
Krom Vanalar
Sarı Pirinç Vanalar
Elektrikli Vana Sistemleri
Çek Valfler
Emniyet Valfleri Sifonlar
Sintine
Manuel Sintine Pompası
Elektrikli Sintine Pompası
Genleşen Tapalar
Sintine Çıkışları
Plastik Düz
Plastik Dirsekli
Krom Düz
Krom Dirsekli
Geçiş Bağlantıları
Krom Flanşlı Düz
Krom Flanşlı Dirsekli
Bağlantı Kovanları
Su Tahliye Çıkışları
Krom Flanşlı Su Tahliye Çıkışları
Plastik Su Tahliye Çıkışları
Sintine Alarmı
Otomatikli Elektrikli Sintine Pompaları
Hortum - Filtre - Süzgeç
Sintine Flatörü
Sintine Pompası Switchi
Plastik Malzemeler Sintine için
Sintine Pompası İçin Yedek Parça
Transfer Pompası
Hırdavat
Fittings Malzemeleri
Konnektörler
Sifonlar
Vanalar
Yapışmayan Vanalar
Su Çıkışları
Krom Bağlantı Kovanları
Kelepçe
Ağır Hizmet Hortum Kelepçeleri
Krom Hortum Kelepçeleri
Kilitler ve Emniyet Ürünleri
Menteşe
Tutya
Elektroliz Anotu
Vida / Civata / Somun
Civatalar
Metrik Krom Vidalar
Somun
Segman
Pul
Perçin
Kopilya
Gijon
Takım / Set
Setiskur
İmbus
Akıllı Vida
El Aletleri
Taşıma Arabası
Kaldırma & Taşıma
Sapanlar
Polyester Gözlü Sapanlar
Yük Bağlama Ekipmanları
Spanzet ( Cırcırlı Bağlama Kayışı )
Acil Tamir Ekipmanı
İmpeller
Hediyelik & Dekoratif Ürünler
Tutya
Cayro Dengeleyici
Kitaplar
Yelken Malzemeleri
Arma - Direk Donanımı
Liftinler
Norsmenler
Terminaller
Bağlantı ve Montaj
Klemens
Radansa
Eye Bolt
Eye Nut
Bağlama / Demirleme
Usturmaça ve Ekipmanı
Ön Arka Usturmaçaları
Balon Usturmaça
Sosis Usturmaça
Şişme Usturmaçalar
Majoni Usturmaça
Merdiven Usturmaça
Burun Usturmaça
Düz Usturmaça
Basamak Usturmaçası
İskele Usturmaçası
Usturmaça Tutucu ve Askısı
Usturmaça Bağlama Halatları
Usturmaça Yuvası
Usturmaça Temizleyici ve Bakımı
Usturmaça Tamir Kiti
Usturmaça Kılıfları
Baba - Koç Boynuzu - Kurt Ağzı
Mapa - Köprü
Uç Makaraları ( Baş - Kıç )
Oynarlı (Mafsallı) Makara
Sabit Makara
Çıpa
Admiralti Çıpalar
Bruce Çıpalar
Danfort Çıpalar
Delta Çıpalar
Döner Çıpalar
Force Çıpalar
Fortress Çıpalar
Hall Tip Çıpalar
Şemsiye Çıpalar
Ultra Çıpalar
Pulluk Çıpalar
Trefoil Çıpalar
Tonoz Çıpalar
Quick Olympic Çıpalar
Yat Çıpaları
Çelik Döküm Gemi Çıpaları
Fırtına Çıpası
Bot ve Jet ski Çıpaları
Salıncak Çıpa
Çıpa Aksesuarları
Çıpa Makaraları
Halat
İskota Halatları
Parekete Halatı
Çıpa İpi Radansalı
Yüzer ( Batmaz ) Halat Serisi
Batan Halatlar
Polyester Halatlar
Lastik Halatlar
Çelik Halatlar
Bakır Çelik Halat Bağlama Yüzükleri
Özel Halatlar
Bobin İpleri (kırcala-salvo-örgü-piyan-yelken ipleri)
Elastik Halat / Yelken Sarma Lastiği
Genel Kullanım İpi
Tekne Bağlama Halatları ( Palamarlar)
Bağlama Halatı
Yassı Bağlama Halatları
Makaralı Bağlama Halatları
Halat Yönlendirici
Halat Esnetici
Alüminyum Çelik Halat Bağlama Yüzükleri
Halat Kesme Bıçakları
Halat Aksesuarları
Halat Makaraları
Halat Kilitleme Sistemleri
Kıstırmaç
Loça
Rıhtım Ekipmanı
Irgat
Irgatlar
Irgat Ekipmanı
Irgat Motorları
Irgat Şanzımanları
Irgat Sigortası
Irgat Butonları
Panel Tipi Butonlar
Ayak Butonları
Uzaktan Kumandalar
Kablolu El Kumandaları
Irgat Kavelata
Irgat Kolları
Selenoid & Röleler
Aksesuar ve Yedek Parçalar
Sanal Çapalar ve Aksesuarları
Kakıç / Ağ / Kepçe / Kanca
Karabina - Sustalı Kilit
Krom Halkalı Karabina
Krom Karabina
Krom Fırdöndülü Karabina
Pelikan Kilitler
Fırdöndülü Kancalar
Krom Somunlu Karabina
Sustalı Karabinalar
Yaylı Karabinalar
Mapalı Krom Karabina
Krom Emniyetli Karabinalar
Alüminyum Karabinalar
Galvanizli Karabina
Burgu Kilitler
Şamandıra
Zincir ve Zincir Ekipmanları
Zincir
Zincir Ekipmanları
Zincir Kilitleri ve Fırdöndüleri
Loça
Bosa Kancası
Zincir Sayaçları
Zincir ve Halat Kombinasyonu
Römork ve Aksesuarları
Römork Vinçleri
Römork Aksesuarları
Paslanmaz Malzemeler
Flok ve Parçaları
Cem Kilit ve Kıstırmaç
Dümen Donanımı
Güverte Donanımı
Yelken Güvenlik
Kilit
Makara
Optimist
Rüzgar Tutucuları
Sportif Yelkenli
Vinç / Vinç Kolları
Yelken Sarma Sistemleri
Yelken Tamir
Yelken Kıyafetleri
Yüzer Platformlar
Konsol & Montaj Sistemleri
Pompalar
İmpellerli Pompalar
Deniz Suyu Pompaları
Yağ Boşaltma Pompası
Yakıt Transfer Pompaları
Yağ Yakıt ve Su Transfer Pompası
Bakım / Boya / Temizlik Kimyasal
Astar / Macun
Zehirli Boya / Sualtı Koruma Boyaları
Bakım Kimyasalları
Epoksi / Fiber Tamir
Fırça / Rulo Ekipmanları
İzolasyon / Bakım ve Maskeleme Bantları
Yapıştırıcı / İzolasyon
Temizlik Kimyasalları
Temizlik Gereçleri
Tik Bakımı
Vernik / Zımpara / Tiner
Yağ - Gres
Sintine Boyası
Silikon
Boya Sistemleri
Kova
Nem Alıcı
Pasta Cila
Su Katkıları
Motor Yağı
Motor Boyası
Motor Yakıt Katkıları
Kağıt Tulumlar / Maskeler / Eldivenler
Püskürtme Ekipmanları
Sprey Boyalar
Koruma
Şişme Bot
Ahşap Tabanlı Katlanır Şişme Botlar
Alüminyum Tabanlı Katlanır Şişme Botlar
Izgara Tabanlı Katlanır Şişme Botlar
Şişme Tabanlı Katlanır Botlar
Fiber Tabanlı Şişme Botlar
Direksiyonlu Bot
Şişme Bot Aksesuarları Yedek Parçaları
Kürek / Iskarmoz
Hava Şişirme Pompaları
Bot Merdivenleri
T-Top
Şişme Bot Tamir Kiti
Taşıma Tekerleği
Aksesuarlar
Deniz Motoru
Benzinli Dıştan Takma Motorlar
Elektrikli Dıştan Takma Motorlar
Minn Kota Aksesuar
Elektrikli Motorlar
Sanal Çapalar ve Aksesuarları
Elektrikli Motor Aksesuar ve Yedek Parçaları
Elektrikli İçten Takma Motorlar
Dizel Motorlar
Dizel Motorlar
Dizel Motor Parçaları
Deniz Suyu Filtresi
Deniz Suyu Fitresi Süzgeçleri
Filtreli Su Girişi
Ses İzolasyon Malzemesi
Soğutma Pompası ve Yedek Parçaları
JABSCO Impeller
Şaft Sistemi ve Malzemeleri
Şanzıman Lastikleri
Kondense Körüğü
İçten Takma Motor Yedek Parça Aksesuarları
Dıştan Takma Motor Yedek Parça Aksesuarları
Yamaha Orjinal Yedek Parçaları
Tekne Dengeleyici Motor Kanadı
Dıştan Takma Motor Impelleri
Motor Yıkama Aparatları
Motor Askı Braketleri
Motor Kolu Uzatma
Yakıt (Benzin) Taşıma Bidonları
Benzin Tankları
Şanzıman Yağları
Motor Yağları
Yağ & Yakıt Filtreleri
Bujiler
Motor Aynaları
Motor Kilitleri
Motor Katkıları
Tank Katkıları
Pervaneler
Pervane Koruyucular
Çalıştırma İpi
Motor Kılıfları
Yakıt Sistemi
Havalandırma
Hava Firarı
Tank Havalandırma
Yakıt Filtreleri
Yakıt Hortumları
Taşıma Bidonları
Yakıt Tankları
Plastik Yakıt Tankları
Krom Yakıt Tankları
Yakıt Tank Rekorları
Tank Kapakları
Genel Amaçlı Tanklar (Su ve Yakıt)
Portatif Tanklar
Yakıt ve Su Şamandıraları
Pis Su Şamandıraları (33-240 ohm)
Temiz Su Yakıt Şamandıraları (0-190 ohm)
Şamandıralar Flanşlar
Şamandıra direnç değiştirici
Koku Filtresi
Benzin Konnektörü
Puarlı Hortumlu Benzin Konnektörü
Huni / Kürek
Puar
Vana
Motor Yakıt Katkıları
Yakıt Transfer Pompaları / Kitleri
Egzoz Sistemi
Egzoz Adaptörleri
Egzoz Isı Yalıtımı
Waterlock (su kilidi)
Egzoz Hortumları
Egzoz Dirsekleri & Mixer (Karıştırıcılar)
Egzoz Çıkışları
Susturucular (Muffler)
Goose Neck ( Egzoz Boynu)
Bağlantı Parçaları
Gaz - Su Ayırıcılar
Egzoz Körükleri / Esnek Bağlantılar
Flap Sistemi / Trim Tab
Tek Pistonlu Hidrolik Flaplar
Çift Pistonlu Hidrolik Flaplar
Flap Aksesuar Yedek Parça
Elektrikli Flaplar
Trim Tab Set
Motor Takozu
Motor Aksamı
Motor Taşıma Çantaları ve Arabaları
Motor Göstergeleri
Devir Göstergesi
Motor Zaman Saati
Hararet Göstergesi
Yağ Basınç Göstergesi
Yakıt Göstergesi
Müşir
Sürat Göstergesi
Sürat Pitotu
Trim Göstergesi
Motor Yağı
Kaplin
Güneş Enerjisi Sistemleri
Elektrikli Motor Aksesuarları
Elektronik
Anten Sistemleri
TV Anteni
Radyo Anteni
VHF Telsiz Anteni
Uydu Sistemleri
GPS Anteni
Radar Anteni
Wifi Anteni
AIS Anteni
Anten Aksesuarları
Braket & Montaj
Scanpodlar
Parazit Önleyici
Balık Bulucu
Cihazlar
Aksesuar & Yedek Parça
Balık Bulucu Network Bağlantısı
Sonar Modülleri
Telsizler
Telsizler ve Telsiz Antenleri
Telsiz Hoparlörü
Müzik Sistemi
Radyo Teyp Cd Mp3 Mp4 Çalar
Aksesuar ve Yedek Parçalar
Marin Hoparlörler
GPS - Radar
Harita Kartı
Radar
GPS
Montaj Braketleri
Bağlantı Kabloları
Kamera
Topraklama Plakası
Oto Pilot
Victron Energy
Akü ve Aksesuarları
AGM Akü
Jel Akü
Lityum Akü
Akü Takip Monitörleri
Akü Birleştiriciler
Akü Koruma ve Aksesuarları
DC Dağıtım Sistemleri & Sigortalar
Baralar
Sigortalar
Mega
Midi
Anl
Cnn
Inverter
Inverter Ve.Direct
Inverter
Inverter Compact
Inverter Smart
Redresör
Skylla-i
Skylla-tg
Centaur
Skylla IP65
Smart IP43
Blue Smart
IP22
IP65
IP67
Phoenix
Kombi İnvertör/Redresör
Multiplus
Multiplus C
Multiplus-ll
Quattro
Quattro-ll
Panel ve Sistem İzleme
DC / DC Dönüştürücü
Orion XS
Orion-Tr İzoleli
Orion-Tr İzolesiz
Orion-Tr Smart İzoleli
Orion-Tr Smart İzolesiz
Orion-Tr İzolesiz Yüksek Güç
Orion İzolesiz Özel Model
Orion IP67
Buck-Boost
İzolatör
Argo Diyot
Argo Fet
İzolasyon Trafoları
MPPT Şarj Regülatörü
Kablo/Aksesuar
Ve.direct
RJ45 (Ve.Can-Ve.Bus)
Male to Female (LiFePO4)
AIS Sistemleri
Outdoor
Termal Isı geçirmez Çanta
Su Geçirmez Kılıf & Çanta
Duşluklar
Dürbün & Teleskop
Anahtarlıklar
Çakılar
Fenerler Ve Kamp Aydınlatmaları
Su Sporları
Motorlu Su Araçları
Deniz Scoterları
Sup Board
Wakeboard
Kneeboard
Su Kayağı
Kanolar
Pedallı Kanolar
Balıkçı Kanoları
Yetişkin Kanoları
Çift Kişilik Yetişkin Kanoları
Kapalı Kanolar
Polietilen Kanolar
Şişme Kanolar
Kano Aksesuarları
Kano / Su Kayağı Aksesuarları
Şişme Deniz Malzemeleri
Wakeskate
Rafting
Ringo
Banana / Muz
Kürekler
Tekne
Balıkçılık
Elektrikli Downrigger
Manuel Downrigger
Downrigger Aksesuarı
Cihazlar
Balık Bulucu
Cihazlar
Aksesuar & Yedek Parça
Balık Bulucu Network Bağlantısı
Sonar Modülleri
Kurşun
Outrigger
Olta Aksesuarları
Kakıç / Ağ / Kepçe / Kanca
Kayak Mapaları
El Fenerleri
Dalış Malzemeleri
Giyim
Denizci Maskeleri
Gömlek
Kazak
Sweat Shirt / Tişört
Mont / Yelek / Kaban
Tulum / Salopet
Pantolon / Şort
Kravat
Eldiven
Şapka
Ayakkabı / Çizme / Terlik
Yelken Kıyafetleri
Plaj Ürünleri
Balıçılık
Nedir Nasıl Kullanılır
Bağlama ve Demirleme Hakkında Bilgiler
Destek
Sistem Hakkında
Müşteri Hizmetleri
Alışveriş Sepetiniz
Havale / EFT
Ödeme & Taksit Opsiyonları Kredi Kartı
Taksitli Kredi Kartları
Kredi Kartı Provizyon Aksaklıkları
Açık Rota
Tekne Yat ve Gemilerde Hatch
Tekne ve Yat Malzemeleri
Tekne ve Yat Malzemeleri
Tümünü Gör
İmpeller
Hediyelik & Dekoratif Ürünler
Tutya
Cayro Dengeleyici
Kitaplar
Yüzer Platformlar
Konsol & Montaj Sistemleri
Bakım / Boya / Temizlik Kimyasal
Astar / Macun
Zehirli Boya / Sualtı Koruma Boyaları
Bakım Kimyasalları
Epoksi / Fiber Tamir
Fırça / Rulo Ekipmanları
İzolasyon / Bakım ve Maskeleme Bantları
Yapıştırıcı / İzolasyon
Temizlik Kimyasalları
Tümünü Gör
Bağlama / Demirleme
Usturmaça ve Ekipmanı
Baba - Koç Boynuzu - Kurt Ağzı
Mapa - Köprü
Uç Makaraları ( Baş - Kıç )
Çıpa
Halat
Rıhtım Ekipmanı
Irgat
Tümünü Gör
Elektrik
Anahtar ve Switchler
Korna Butonları
Akü
Akü Ekipmanı
Marin Kablolar
Çakmak Fişi ve Ekipmanı
Usb Fiş Prizler Çıkışlar
İç Aydınlatma
Tümünü Gör
Güverte
Yıkama Pompaları
Aksesuarlar
Çıkartmalar
Bardaklık
Türk Bayrağı
Yabancı Bayraklar
İşaret Bayrakları
Bayrak Direği ve Aksesuarları
Tümünü Gör
Panel Göstergeleri
Voltmetre
Ampermetre
Su Göstergeleri
Atık Su Göstergeleri
Alarmlı Gösterge Seti
Gri Su Göstergesi
Dümen Açı Göstergeleri
Derinlik Göstergesi
Tümünü Gör
Diğerleri
Güvenlik
Temiz (Tatlı) Su Sistemleri
Yakıt ve Su Şamandıraları
Havalandırma
Isıtma Sistemleri
Navigasyon
Dümen - Kumanda
Kabin / Mutfak / Banyo
WC / Pis Su / Tuvalet
Sintine
Hırdavat
Yelken Malzemeleri
Pompalar
Bakım / Boya / Temizlik Kimyasal
Bakım / Boya / Temizlik Kimyasal
Tümünü Gör
Astar / Macun
Zehirli Boya / Sualtı Koruma Boyaları
Bakım Kimyasalları
Epoksi / Fiber Tamir
Fırça / Rulo Ekipmanları
İzolasyon / Bakım ve Maskeleme Bantları
Yapıştırıcı / İzolasyon
Temizlik Kimyasalları
Temizlik Gereçleri
Tik Bakımı
Vernik / Zımpara / Tiner
Yağ - Gres
Sintine Boyası
Silikon
Boya Sistemleri
Kova
Nem Alıcı
Pasta Cila
Su Katkıları
Motor Yağı
Motor Boyası
Motor Yakıt Katkıları
Kağıt Tulumlar / Maskeler / Eldivenler
Püskürtme Ekipmanları
Sprey Boyalar
Koruma
Şişme Bot
Şişme Bot
Tümünü Gör
Ahşap Tabanlı Katlanır Şişme Botlar
Alüminyum Tabanlı Katlanır Şişme Botlar
Izgara Tabanlı Katlanır Şişme Botlar
Şişme Tabanlı Katlanır Botlar
Fiber Tabanlı Şişme Botlar
Direksiyonlu Bot
Şişme Bot Aksesuarları Yedek Parçaları
Kürek / Iskarmoz
Hava Şişirme Pompaları
Bot Merdivenleri
T-Top
Şişme Bot Tamir Kiti
Taşıma Tekerleği
Aksesuarlar
Deniz Motoru
Deniz Motoru
Tümünü Gör
Benzinli Dıştan Takma Motorlar
Elektrikli İçten Takma Motorlar
İçten Takma Motor Yedek Parça Aksesuarları
Motor Takozu
Motor Aksamı
Motor Taşıma Çantaları ve Arabaları
Motor Yağı
Kaplin
Güneş Enerjisi Sistemleri
Elektrikli Motor Aksesuarları
Elektrikli Dıştan Takma Motorlar
Minn Kota Aksesuar
Elektrikli Motorlar
Sanal Çapalar ve Aksesuarları
Elektrikli Motor Aksesuar ve Yedek Parçaları
Dizel Motorlar
Dizel Motorlar
Dizel Motor Parçaları
Dıştan Takma Motor Yedek Parça Aksesuarları
Yamaha Orjinal Yedek Parçaları
Tekne Dengeleyici Motor Kanadı
Dıştan Takma Motor Impelleri
Motor Yıkama Aparatları
Motor Askı Braketleri
Motor Kolu Uzatma
Yakıt (Benzin) Taşıma Bidonları
Benzin Tankları
Tümünü Gör
Yakıt Sistemi
Havalandırma
Yakıt Filtreleri
Yakıt Hortumları
Taşıma Bidonları
Yakıt Tankları
Yakıt ve Su Şamandıraları
Koku Filtresi
Benzin Konnektörü
Tümünü Gör
Egzoz Sistemi
Egzoz Adaptörleri
Egzoz Isı Yalıtımı
Waterlock (su kilidi)
Egzoz Hortumları
Egzoz Dirsekleri & Mixer (Karıştırıcılar)
Egzoz Çıkışları
Susturucular (Muffler)
Goose Neck ( Egzoz Boynu)
Tümünü Gör
Diğerleri
Flap Sistemi / Trim Tab
Motor Göstergeleri
Elektronik
Elektronik
Tümünü Gör
Kamera
Topraklama Plakası
Oto Pilot
AIS Sistemleri
Anten Sistemleri
TV Anteni
Radyo Anteni
VHF Telsiz Anteni
Uydu Sistemleri
GPS Anteni
Radar Anteni
Wifi Anteni
AIS Anteni
Tümünü Gör
Balık Bulucu
Cihazlar
Aksesuar & Yedek Parça
Balık Bulucu Network Bağlantısı
Sonar Modülleri
Telsizler
Telsizler ve Telsiz Antenleri
Telsiz Hoparlörü
Müzik Sistemi
Radyo Teyp Cd Mp3 Mp4 Çalar
Aksesuar ve Yedek Parçalar
Marin Hoparlörler
GPS - Radar
Harita Kartı
Radar
GPS
Montaj Braketleri
Bağlantı Kabloları
Diğerleri
Victron Energy
Outdoor
Outdoor
Tümünü Gör
Termal Isı geçirmez Çanta
Su Geçirmez Kılıf & Çanta
Duşluklar
Dürbün & Teleskop
Anahtarlıklar
Çakılar
Fenerler Ve Kamp Aydınlatmaları
Su Sporları
Su Sporları
Tümünü Gör
Motorlu Su Araçları
Deniz Scoterları
Sup Board
Wakeboard
Kneeboard
Su Kayağı
Kano / Su Kayağı Aksesuarları
Şişme Deniz Malzemeleri
Wakeskate
Rafting
Ringo
Banana / Muz
Kürekler
Tekne
Kayak Mapaları
El Fenerleri
Dalış Malzemeleri
Kanolar
Pedallı Kanolar
Balıkçı Kanoları
Yetişkin Kanoları
Çift Kişilik Yetişkin Kanoları
Kapalı Kanolar
Polietilen Kanolar
Şişme Kanolar
Kano Aksesuarları
Balıkçılık
Elektrikli Downrigger
Manuel Downrigger
Downrigger Aksesuarı
Cihazlar
Balık Bulucu
Kurşun
Outrigger
Olta Aksesuarları
Tümünü Gör
Giyim
Giyim
Tümünü Gör
Denizci Maskeleri
Gömlek
Kazak
Sweat Shirt / Tişört
Mont / Yelek / Kaban
Tulum / Salopet
Pantolon / Şort
Kravat
Eldiven
Şapka
Ayakkabı / Çizme / Terlik
Yelken Kıyafetleri
Plaj Ürünleri
Ana Sayfa
Tekne ve Yat Malzemeleri
Hırdavat
Menteşe
TR
Türkçe (TR)
English (US)
Español (ES)
Deutsch (DE)
Français (FR)
Italiano (IT)
עִברִית (IL)
日本語 (JP)
Português (BR)
Русский (RU)
العربية (AR)
Şu anki sayfa dilini hesabınıza kalıcı olarak kaydetmek ister misiniz?
Evet
Hayır
Bir daha sorma
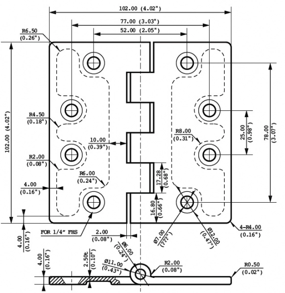
1187972339
Menteşe. Gömme.
₺2,592.76
(0.0/5)
Sepete Ekle
Bize Ulaşın
Sadece Türk Lira'sına taksit yapılabilmektedir.
Açıklama
Ödeme Seçenekleri
Tüm Yorumlar
Menteşe. Gömme. AISI 316 paslanmaz çelik, döküm. 102x102mm.
...
...
Bize Ulaşın
Lütfen +90 gibi ülke kodu ile birlikte girin.
✓
Sepete eklendi
Ürün sepetine eklendi.
Sepeti Gör
Kabul Et
Tercihleri Özelleştir