Deprecated: number_format(): Passing null to parameter #1 ($num) of type float is deprecated in /home/ARAS/web/new.denizciden.com/public_html/tema/BTS_Tic/sayfalar/urun.php on line 102
3630681771

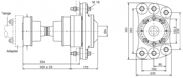
AQUADRIVE CVB 32.30

Model: B30 Ana ünite
Installments are available only in Turkish Lira.
Model: B30 Ana ünite

AQUADRIVE CVB 32.30 AQUADRIVE CVB 32.30

• Şaft Çapı: 70 mm’ ye kadar
• 350 HP ‘ ye kadar, ticari kullanımda 250 HP
• CV32 tek başına kullanıldığında 2500 rpm’ de 600 HP’ ye kadar makine gücünü kaldırabilir.
• Tahrik şaftının maksimum hızı 
• Taşıyıcı yatağın maksimum hızı 
• 350 HP = 260 kW (1HP~0.75kW)
• CV32 için 304 mm’ lik standart boyun haricinde talebe göre istenen uzunlukta imal edilebilir. 
• Standart şanzıman kaplin bağlantı kiti opsiyonel 
• Standart dışı kaplin adaptör kitleri özel sipariştir. 

Örnek Uygulama      
Tekne tipi Motor Gücü kW/HP Krankşaft devri rpm Şanzıman Oranı
Kayıcı 270/365 3000 02:01
Deplasman tipi Motoryat 195/265 2600 03:01

 
Üstteki örnekte optimum şartlarda şaft mafsalının 2 derecelik açıda olduğu kabul edilmiştir. 2 derecenin üzerindeki her açı için izin verilen maksimum güç %10 azaltılmalıdır
...
...
Added to cart
Product added to cart.
View cart