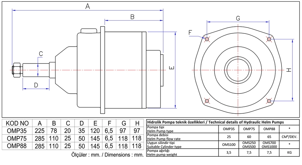
Hidrolik Pompa 88, 88 cm³/dev pompa hacmine ve 10 kg ağırlığa sahiptir. OMS250, OMS500 ve OMS1000 tip hidrolik silindirlerle uyumlu olacak şekilde tasarlanmıştır.
Gövdesi alüminyum, pompa mili paslanmaz çeliktir. Hidrolik silindire bağlanmak üzere 3 farklı hacimde üretilmekte olup CE normlarında imal edilmektedir.