1093588392

Hidrolik Pompa 88

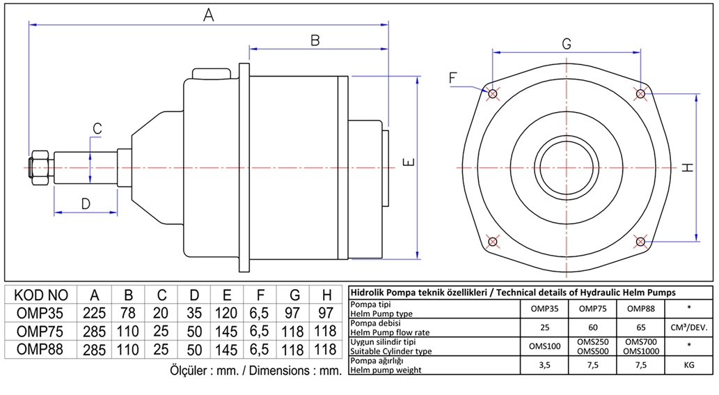
Pompa hacmi 88 cm³/dev olan, 10 kg ağırlığındaki hidrolik pompa OMS250/500/1000 tip silindirler için tasarlanmıştır.
₺23,643.84
As parcelas estão disponíveis apenas na lira turca.

Hidrolik Pompa 88, 88 cm³/dev pompa hacmine ve 10 kg ağırlığa sahiptir. OMS250, OMS500 ve OMS1000 tip hidrolik silindirlerle uyumlu olacak şekilde tasarlanmıştır.

Gövdesi alüminyum, pompa mili paslanmaz çeliktir. Hidrolik silindire bağlanmak üzere 3 farklı hacimde üretilmekte olup CE normlarında imal edilmektedir.

...
...
Características
Marka
Model
Maksimum HP
Desteklenen Motor Tipi
İstasyon
Adicionado ao carrinho
Adicionado ao carrinho de compras.
Ver carrinho